INTERVENTION URGENTE STATION EPURATION – AIX EN PROVENCE VEOLIA / R.E.P.A.
Nous avons été contactés mardi 15 mars au matin par Véolia qui exploite la station d’épuration d’Aix en Provence située aux Milles pour la Régie des Eaux du Pays d’Aix.
Un ouvrage de 5 600 ml, permettant la collecte des eaux usées des communes du Pays d’Aubagne et leur transfert vers Marseille, a souvent besoin d’un rafraichissement. C’est dans ce cadre précis que la Métropole, en tant que Maître d’Ouvrage de l’opération, a délégué la conduite de ces opérations à la SPL Eau des Collines assistée du Cabinet Merlin en tant que Maître d’œuvre.
Sur la tête de voûte de cet ovoïde, trois « cathédrales » ont donc été bâties par BRONZO TP au fil des semaines nécessitant :
– la réalisation de 118 ml de micropieux diamètre 250 mm
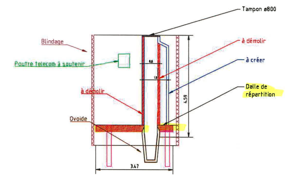
– la réalisation de forages de diamètre 250 mm, avec mise en place de HEB, de lierne et d’un blindage bois sécurisant l’édifice et sur une surface totale de 480 m²
– un terrassement global de 415 m3, à l’aide de pelles mécaniques ou d’aspiratrices excavatrices
– la dépose de regards anciens et en place à l’aide de camions grue de 60 T
– la mise en place de nouveaux regards en lieu et place des anciens de dimensions 1500 mm x 1500 mm et sur des profondeurs allant jusqu’à 6.00 m.
Sur cette opération complexe et technique, BRONZO TP, et son sous-traitant SOL PROVENCAL, ont su mener à bien ce chantier qui permettra à la SPL Eau des Collines un diagnostic plus précis de la réhabilitation de l’ouvrage centenaire.



